工作時間 周一至周六 8:00-17:00
ZC-3A沖擊繼電器,廣泛用于直流操作的繼電器保護及自動控制回路中,作為集中控制信號元件。
ZC-3A沖擊繼電器應用范圍
ZC-3A沖擊繼電器(以下簡稱繼電器) ,廣泛用于直流操作的繼電器保護及自動控制回路中,作為集中控制信號元件。
ZC-3A沖擊繼電器主要技術參數
·額定電壓:DC220V、110V、48V、24V。
·最小沖擊動作電流: ZC-23型不大于0.16A, ZC-23A型不大于0.015A。
·最大穩定電流: ZC-23型為3.2A, ZC-23A型為1.5A。
·功率消耗:在變流器BL一次繞組通最大穩定電流時.其功率消耗不大于7W;出口繼電器ZJ在額定電壓下,動作狀態時功耗不大于10W。
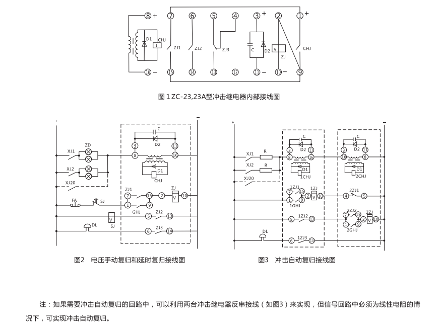
ZC-3A型沖擊繼電器內部接線圖及外引接線圖

ZC-3A沖擊繼電器外形及開孔尺寸

礦山冶金
化工、化肥、水泥、紡織
能源、環保
機械電子
火電、水電
造紙、制糖、制藥
市政基礎建設
原料、鋼鐵
上一篇:JSW-43靜態雙位置繼電器
下一篇:ZJC-3靜態沖擊繼電器

